Trace: » openings » laser-machining
This is an old revision of the document!
Table of Contents
Laser Micromachining Project
McMaster Biophotonics Research Group
McMaster University
| Participants |
|---|
| Liam Ward: wardw1@mcmaster.ca |
| Jacob Saunders: saundj1@mcmaster.ca |
| Qiyin Fang: qfang@mcmaster.ca |
| Harold Haugen: haugenh@mcmaster.ca |
Description (Summer 2020)
The current goals of the project include: designing and implementing a control system to update the current outdated control system. The new control system will provide a user-friendly GUI to run on a Windows(7+) Operating System. This GUI will send commands to an Arduino-based hardware interface to control various hardware devices.
Important Links
| Link | Description |
|---|---|
| https://github.com/liamward14/Laser-Micromachining-GUI | Current Github Repo |
| https://liamward14.github.io/Laser-Micromachining-GUI/ | Published Github Project Site |
Files
| File | Description |
|---|---|
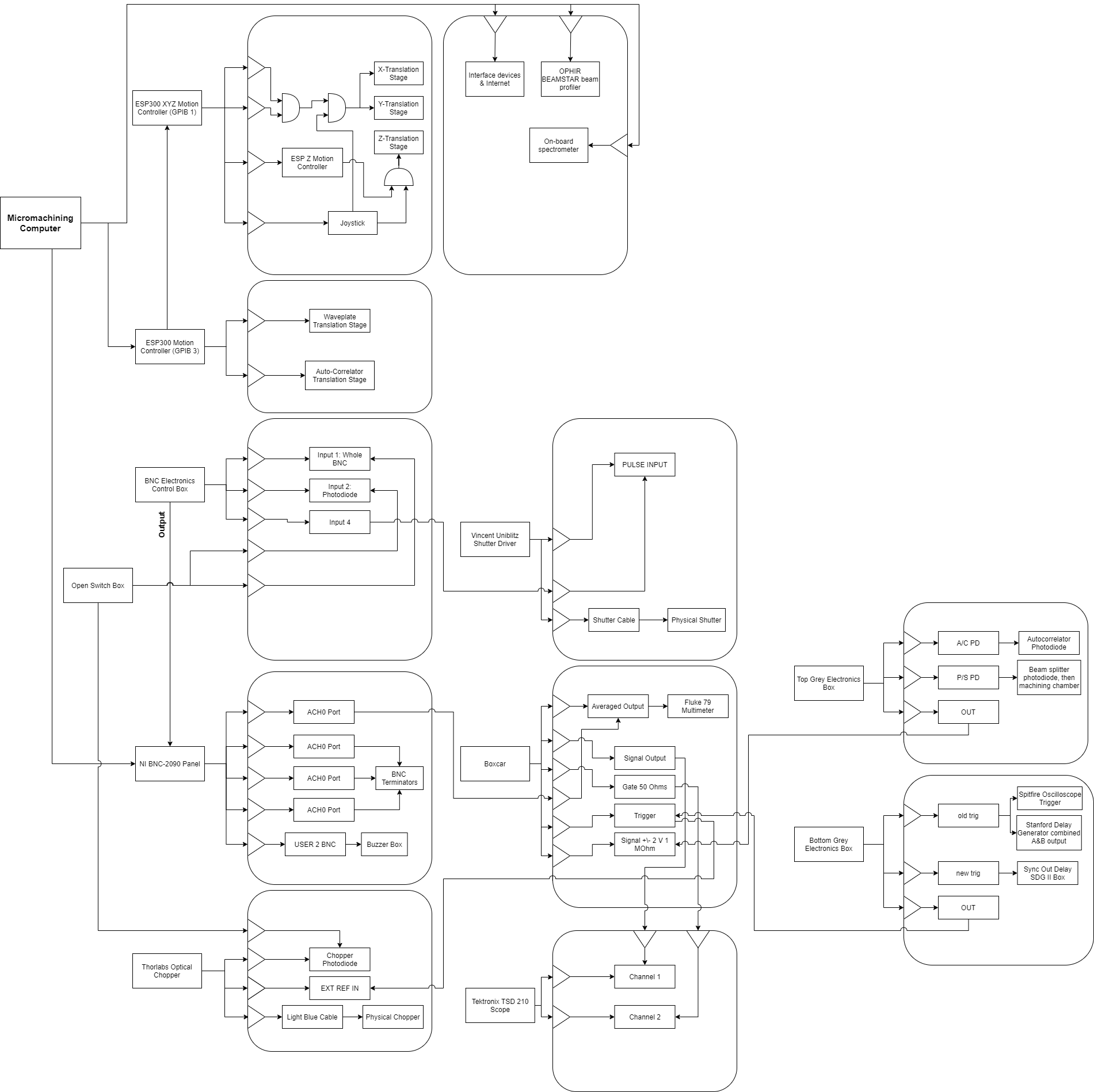
| micromachining_manual_20101206.pdf | MICROMACHINING MANUAL_20101206 |
| micromachining_experimental_setup_connections.pdf | MICROMACHINING EXPERIMENTAL SETUP CONNECTIONS |
Progress / Updates
This section is meant to describe how the control system is to be implemented and provide a section to document updates.
Updates
| Date | Update Description | Associated Files |
|---|---|---|
| 6-10-2020 | Created high-level control system for translation stages:{x,y,z} | See image 'Translation Stage Only Diagram' below |
| 6-10-2020 | Created preliminary high-level control system for entire system (not finished yet) | See image 'Control System Diagram' below |
You are here: start » public » research » laser-machining

